株式会社船橋屋のプレスリリース
-
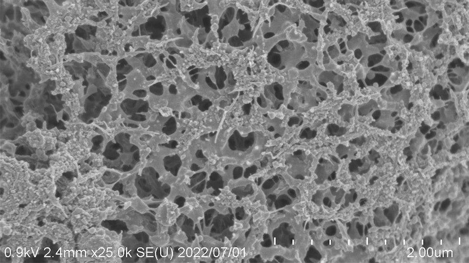
くず餅職人がつくり出すナノレベルの架橋構造
一般社団法人100年経営研究機構と連携し、「くず餅を科学する」をコンセプトに、江戸時代から続く発酵菓子のくず餅と代々受け継がれてきたくず餅の製造技術について、科学的根拠に基づいて分析をしております。この度、ヤマザキ動物看護大学教授の長島孝行氏にご協力いただき、くず餅の独特な食感がどういう構造から生まれるのか、そしてその構造がどう構築されているのかを、ナノレベルで構造解析しました。

電子顕微鏡を使用して船橋屋のくず餅を分析したところ、200~300ナノメートル(※1)ほどの架橋構造があることを世界で初めて確認。均一的に構造が広がっており、この構造により船橋屋のくず餅の特徴である独特の弾力・食感を創り出していることが明らかになりました。


今回の研究では長い年月受け継がれてきた職人技が、くず餅の伝統と共にナノレベルの構造まで継承していることが確認できましたが、製造のどの工程で架橋構造ができるのか、そしてなぜその構造が出来上がるのかという点は未だ研究中です。
船橋屋では、”くず餅”として職人が認めたもののみ、”商品”として販売しています。原料の精製から蒸し上げるまで職人の手作業で製造するなかで、最終的に職人が販売できないと判断するくず餅もあります。今回の研究では、見た目ではわからない、職人が商品外と判断したくず餅についても、ナノレベルで確認して頂きました。その結果、その構造が”商品”で確認したような均一的な構造とは異なることもわかりました。

今後も職人技をナノレベルで分析し、船橋屋ならではの独特の弾力や食感のくず餅を安定的にお客様にお届けすることを目指すべく、科学的根拠に基づいて研究を進めてまいります。
(※1) 1ナノメートル=1ミリメートルの1,000,000分の1

【特設HP】
https://www.funabashiya.co.jp/research02/
くず餅という伝統的発酵食品の価値を改めて発信することにより、くず餅を次世代に繋げ日本の発酵文化の継承への貢献を目指して参ります。
「くず餅を科学する」に取り組む理由については下記からご覧いただけます。
-
一般社団法人100年経営研究会機構 伴走型事業開発支援事業(Do-Tank NEXT100)について

一般社団法人100年経営研究会機構は、「100年経営を科学する」をコンセプトに、2015年に設立されました。日本国内を中心に100年以上続く長寿企業のデータアーカイブ構築、調査研究、さらに研究会や視察などを通じた情報発言を通じて、永く持つ経営の原理原則や叡智を共有する活動をしています。 また、機構では長寿企業のイノベーションを促進するために次の100年に向けた伴走型事業開発支援事業(Do-Tank NEXT100)を開始し、長寿企業の研究や事業開発を支援しています。
■一般社団法人100年経営研究会機構 公式ホームページ
https://100-keiei.org/
-
船橋屋について

1805年江戸時代に創業し、2023年で創業218年目を迎えた関東風のくず餅屋です。船橋屋のくず餅は、「小麦澱粉」を450日乳酸発酵させて蒸し上げる【和菓子唯一の発酵食品】。長期間乳酸発酵させているからこそ、独特の歯ごたえと弾力が生み出されます。また、自然のものをそのままお客様にお届けしたいという想いから、保存料を使わない自然な製法にこだわり続けています。発酵食品であり、無添加である伝統和菓子が今、健康を意識する人々から注目されております。
■ 船橋屋公式ホームページ
http://www.funabashiya.co.jp/

